蝶阀
球阀
执行器
闸阀
水力控制阀
地址: 浙江省温州三桥东瓯工业区
电话: 0577-67371288
  0577-67371388
传真: 0577-67371886
  0577-67371887
手机: 13906771587
邮编: 325105
产品展示 您的位置:网站首页 > 产品展示 > 蝶阀 > LQ防爆整体型电动PVC蝶阀
产品名称:LQ防爆整体型电动PVC蝶阀
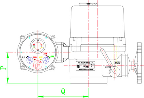
LQ防爆整体型电动PVC蝶阀
产品简介:

产品概述:

    电动PVC蝶阀采用对夹式连接,不须适用特殊工具即可快速装配,具有结构紧、耐磨损、容易拆卸、方便检修、维护简单易行等优点。阀体材质卫生无毒、耐腐蚀性强、重量轻应用范围广,例如:纯水和生饮水的管路系统、排水和污水管路系统、盐水和海水管路系统、酸碱和化学溶液系统等多个行业。

性能特点:

1.使用温度范围广:-40℃~+95℃

2.具有极佳的强度和韧性

3.具有良好的耐化学腐蚀性功能

4.阻燃性能为自熄性

5.低热传导性能,约为刚才的1/200

6.介质中重离子含量达超纯水标准

7.卫生指标符合国家卫生标准要求

8.管壁平洁光滑,输送液体时具有较小的摩擦阻力和附着力

9.重量轻,相当于钢管1/5,铜管的1/6

10.安装方便

11.优异的耐老化和抗紫外线性能,使整车使用寿命比其他管道系统均有很大的延长

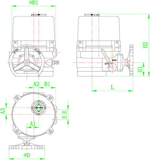
技术参数

公称通径DN(mm)

DN50~DN300

连接方式

对夹

阀体材质

UPVC(-10℃~70℃)、CPVC(-40℃~95℃)                       RPP(-14℃~100℃)PVDF(-40℃~140℃)

阀芯材质

UPVC(-10℃~70℃)、CPVC(-40℃~95℃)                       RPP(-14℃~100℃)PVDF(-40℃~140℃)

密封材质

PTEF、EPDM、NBR

适用介质

PVC的兼容食品工业化学

 产品规格

型号

LQ1Ex

LQ2Ex

LQ3Ex

LQ4Ex

LQ4JSEx-200/250

LQ4JSEx-400/600

A1

41

57.5

60.5

70

A2

12

23.5

25.5

35

A3

31

227

35

40

B1

67

80.5

85.5

96

D

100

180

D1

157

206

222

262

E

23

25

L

167

197

208

230

230

/

P

94

112

121

132

236

/

Q

172

200

200

215

215

/

H1

55

67

70

81

185

303

H2

55

67

70

81

185

303


下一个产品:LQ电动法兰软密封蝶阀上一个产品:LQ电动对夹蝶阀
 
相关产品:
蜗轮传动瓦斯专用阀瓦斯专用阀671X气动蝶阀(AT气缸)671F气动蝶阀PSRD673F气动蝶阀PSRD641X气动蝶阀手动不锈钢对夹式蝶阀D71X/F不锈钢法兰蝶阀
合力品牌专注于阀门研发制造的实体公司。欢迎同行交换链接!     浙江合力阀门有限公司高品质、最优售后服务不锈钢蝶阀厂家,专业生产不锈钢蝶阀系列产品。
友情链接: b2b联盟 b2b网站大全 全焊接球阀 自由浮球疏水阀 排泥阀 双向压蝶阀 深井泵 Q41F球阀 刀型闸阀 铸铁闸阀 工厂店铺 气体减压阀 液化气阀门 设备视镜 SEO教程