|
|
|
 |
| 地址: |
浙江省温州三桥东瓯工业区 |
| 电话: |
0577-67371288 |
| |
0577-67371388 |
| 传真: |
0577-67371886 |
| |
0577-67371887 |
| 手机: |
13906771587 |
| 邮编: |
325105 |
|
|
|
|
|
|
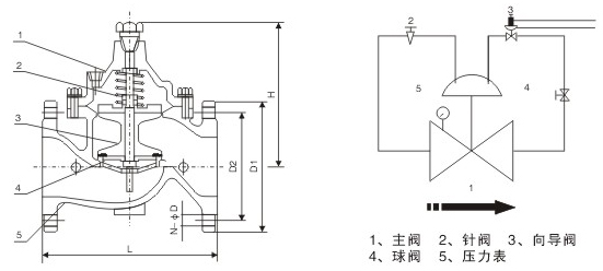
| 产品名称:800X压差旁通平衡阀 |
|
| 产品简介: |
|
|
用于空调系统供/回水之间,保证供回水之间的差压。提高系统的利用率。保持压差的精确恒定值,可降低系统的噪音,以及过大差压对设备的损坏。
|
压力等级:PN10、PN16、PN25
隔膜式:DN20~450
活塞式:DN500~750
介质温度:0~80℃
|
|
公称通径DN(mm)
|
D1
|
D2
|
N-φD
|
L
|
H
|
|
1.0MPa
|
1.6MPa
|
1.0MPa
|
1.6MPa
|
1.0MPa
|
1.6MPa
|
|
50
|
165
|
125
|
4-19
|
203
|
160
|
|
65
|
185
|
145
|
4-19
|
216
|
180
|
|
80
|
200
|
160
|
8-19
|
241
|
200
|
|
100
|
220
|
180
|
8-19
|
292
|
270
|
|
125
|
250
|
210
|
8-19
|
330
|
310
|
|
150
|
285
|
240
|
8-23
|
356
|
320
|
|
200
|
340
|
295
|
8-23
|
12-23
|
450
|
370
|
|
250
|
405
|
350
|
355
|
12-23
|
12-28
|
500
|
430
|
|
300
|
460
|
400
|
410
|
12-23
|
12-28
|
560
|
480
|
|
350
|
520
|
460
|
470
|
16-28
|
16-28
|
620
|
525
|
|
400
|
580
|
515
|
525
|
16-28
|
16-31
|
700
|
580
|
|
450
|
640
|
565
|
585
|
20-28
|
20-31
|
780
|
635
|
|
500
|
715
|
620
|
650
|
20-28
|
20-34
|
850
|
690
|
|
600
|
810
|
840
|
725
|
770
|
20-31
|
20-37
|
980
|
830
|
|
| 下一个产品:700X水泵控制阀上一个产品:900X紧急关闭阀 |
| |
| 相关产品: |
| 100X遥控浮球阀200X减压阀700X水泵控制阀800X压差旁通平衡阀900X紧急关闭阀W100D定水位阀JD745X多功能水泵控制阀 |
|
|
|